The Series 36 spindle is designed for high speed drilling, cutting and milling operations using standard ER - 16 collets. Its high precision and compact size can be used in a wide variety of OEM machines to secondary CNC operations. The Series 36 air motor is capable of 21,500 RPM with direct drive or lower RPM’s with integral planetary gears. Gear train has been designed for long life with needle bearings in-side each gear.
ER 16 COLLET SYSTEM Capacity: 0.5 – 10 mm. (0.019 – 0.3937 in.)
The Series 36 design also allows for belt drive configurations which is widely used with conjunction of Servo motors for maximum versatility. All of the series 36 spindles are reversible.
ER 16 COLLET SYSTEM Capacity: 0.5 – 10 mm. (0.019 – 0.3937 in.)
The Series 36 right angle spindle makes it easier to maneuver on the hard to reach op-erations without sacrificing area space. Like the Series 36 AM the RA configurations capability excel in drilling, cutting, and milling processes for both the air and belt driven spindles. Also equipped with large hardened spiral bevel gears for long life and high torque transmission capability. Air Motor is capable of 14,000 RPM with direct drive or lower RPM’s with integral planetary gears. Uses standard ER-16 collets. Air motor can easily be detached from spindle and replaced with another of a different RPM. The Series 36 RA spindle gives a more compact form while increasing valuable torque strength.
ER 16 COLLET SYSTEM Capacity: 0.5 – 10 mm. (0.019 – 0.3937 in.)
The Series 36 Tool Changer provides the ability to interchange numerous drilling/milling tools while giving you a compact design. Its multi-purpose capability provides cost sav-ing and time efficiency. With the use of an air motor its max capable speed is 21,500 RPM with direct drive as well as lower RPM’s if chosen. Gear train has been designed for long life with needle bearings inside each gear. Spindles uses 1C style collets. The belt drive version has a 12mm diameter shaft protruding from the actuator.
1C COLLET SYSTEM Capacity: 0.5 – 6.35 mm. (0.019 – 0.250 in.)

Series 36 Spindle with Air Motor

Dimensions for Series 36 Spindle with Air motor attached.
Maximum Collet Size: 10mm (.3937)

36 Air Motor Performance Specifications

Maximum Collet Size: 10mm (.3937)
• Optional rear shaft support bearing available

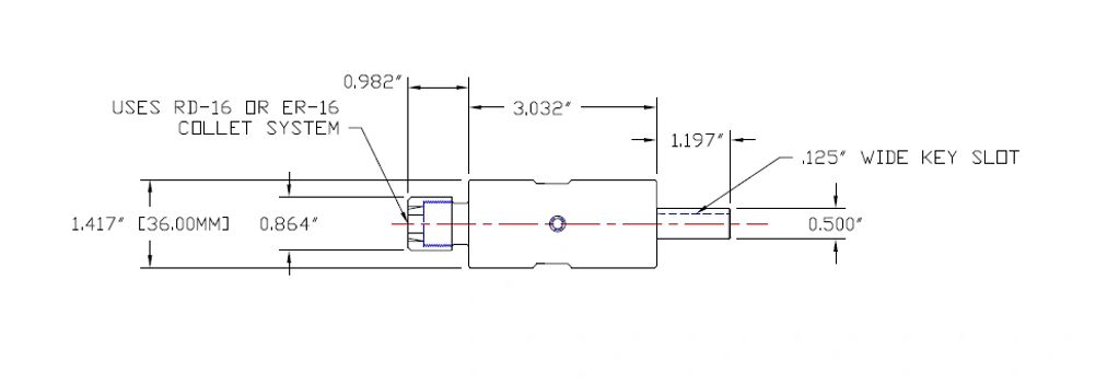
Dimensions for Series 36 Spindle - Belt Driven
Maximum Collet Size: 10mm (.3937)

36- BD Spindle with Optional Timing Pulley

Right Angle Spindle - Belt Driven

Dimensions for Series 36 Spindle Right Angle - Belt Driven
Maximum Collet Size: 10mm (.3937)

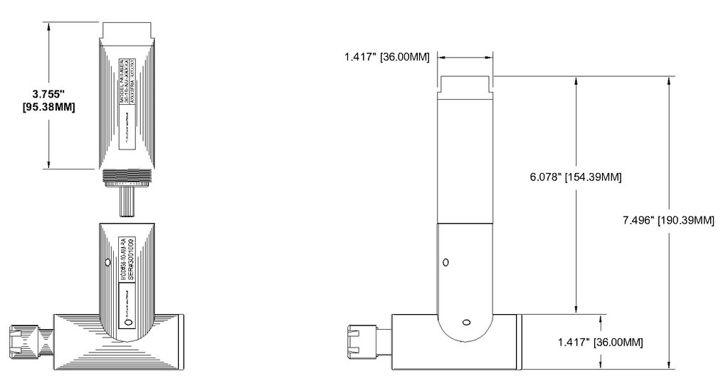
Series 36 Right Angle Spindle with Air Motor
See Motor Options Below

Dimensions for Series 36 Right Angle Spindle with Air Motor
Maximum Collet Size: 10mm (.3937)

36 Air Motor Performance Specifications
We use cookies to analyze website traffic and optimize your website experience. By accepting our use of cookies, your data will be aggregated with all other user data.